产品特点:
YANGJI牌单相智能交流调压模块组件采用一体化安装技术设计,各种规格根据不同电流等级配置额定功率散热器+风扇,使产品更加安全可靠,用户使用安装接线更加方便。
模块采用单片机设计,功率放大及脉冲形成音频脉冲变压器,隔离触发,内部移相,定宽调节均实现数字化,触发部位没有任何可调节元器件,脉冲对称小,对负载冲击小,抗干扰能力强。
输入信号连续PID,可直接与各种连续PID数字自动化仪器仪表接口,也可手动调节,实现弱电对强电模拟量功率调节。
广泛应用于控温设备,调光,焊机,电镀等功率调节场合。
典型应用:
白炽灯调光;
阻性加热元件;
传送带速度调节;
工业设备温度控制;
以及其他自动化功率调节场合。
不适应场合:
不适用于变压器初级调压,不适用于单相交流异步电机的调压,只有风机类水泵类电机在要求不高场合可采用此单相交流调压模块。
产品参数:

外形尺寸及重量:
190×125×175/Y mm 重量:3.4Kg
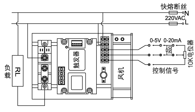
接线图:

产品代号:A2