产品特点:
YANGJI牌三相智能整流调压模块功率组件采用一体化安装技术设计,各规格根据不同功率等级配置额定功率散热器+风扇,使产品更加安全可靠,用户使用只需根据等级选用,安装接线更加方便。
该模块采用单片机设计,无相序要求,脉冲变压器隔离触发,脉冲变压器隔离触发,内部移相,定宽调节均实现数字化,触发部分没有任何可调节元器件,脉冲对称小于0.5度,对负载冲击小,抗干扰能力强。
输入信号连续PID,可直接与各种连续PID数字自动化仪器仪表接口,也可手动调节,实现弱电对强电模拟量功率调节。
广泛应用于控温设备,调光,焊机,电镀等功率调节场合。
产品参数:

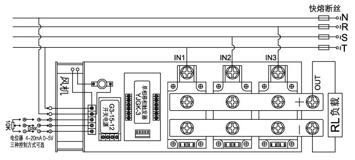
接线图、外形尺寸及重量:

(150KW):540×125×200/XF mm 重量:15Kg
(180KW):640×125×200/XF mm 重量:17Kg
(240KW):740×125×200/XF mm 重量:19Kg
产品代号:H4