
Product Center
YMS2403A电路板式固态继电器

| 产品特点 | YANGJI牌单相PCB固态继电器采用直插式电路板焊接式安装,标准化模数尺寸,输入-输出光电隔离,交流输出采用双向可控硅,零电压开启零电压关断;直流输出采用双极型三极管,导通压降低,开关速度快,抗干扰性强。 输入信号与TTO和COMS数字逻辑电路兼容;采用阻燃工程塑料外壳环氧树脂灌封,与电磁继电器比较,具有无机械声、无触点引弧、有较高的浪涌承受能力,寿命长、可靠性高。 。 广泛应用于石油化工仪器设备、食品机械、包装机械、纺织机械、数控机床塑料机械、健身器材、娱乐设施等自动化控制领域。可控制小型电动机、白炽灯、指示灯、小功率电源智能仪器仪表和电磁阀等,也可作为大功率电磁接触器的推动极。 特别适用于腐蚀、潮湿、防尘,要求防爆等恶劣环境,及频繁开关的场合。 | |
| 规格分类 | YMS2403A(DC-AC) | YMS2403D(DC-DC) |
| 负载电流 | 2A/3A | |
| 负载电压 | 240VAC/380VAC | 60VDC/110VDC/220VDC |
| 控制信号 | 3-14VDC/18-24VDC | 3-14VDC/18-24VDC |
| 控制电流 | 6-35mA需限流 | 6-35mA需限流 |
| 介质耐压 | 输入-输出,输入、输出-外壳:≥1500V | |
| 通态降压 | ≤1.1VAC | ≤1.3VDC |
| 断态漏电流 | ≤1mA | ≤0.05mA |
| 电压上升率 | 300v/us | / |
| 通断时间 | 10ms | 关断时间≤0.1ms |
| 频率范围 | 47/63Hz | / |
| 工作环境温度 | -40℃--80℃ | -40℃--80℃ |
| 重量 | 10g | |
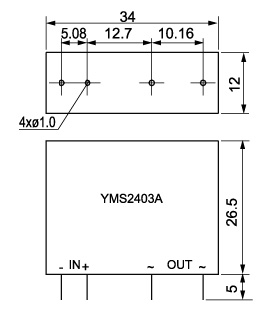
| 外形尺寸(mm) | ![]() 34×12×26.5mm | |
| 接线图 | ![]() | |
| 代号 | J10 | |

